Dell Vostro 2520 Motherboard Schematic Intel Dell Vostro 252

Lenna Tillman

posts

Dell Vostro 2520 Motherboard Schematic Intel Dell Vostro 252

Dell vostro 2420 3420 11281-1 schematic diagram Thay sửa mainboard laptop dell vostro 2520 có bảo hành Intel dell vostro 2520 motherboard at rs 4900 in mumbai dell vostro 2520 motherboard schematic

[DIAGRAM] Hp Motherboard Diagram - MYDIAGRAM.ONLINE

Upper edge technology Dell vostro 5368 5468 inspiron 7569 7778 schematic diagram, compal la [diagram] hp motherboard diagram

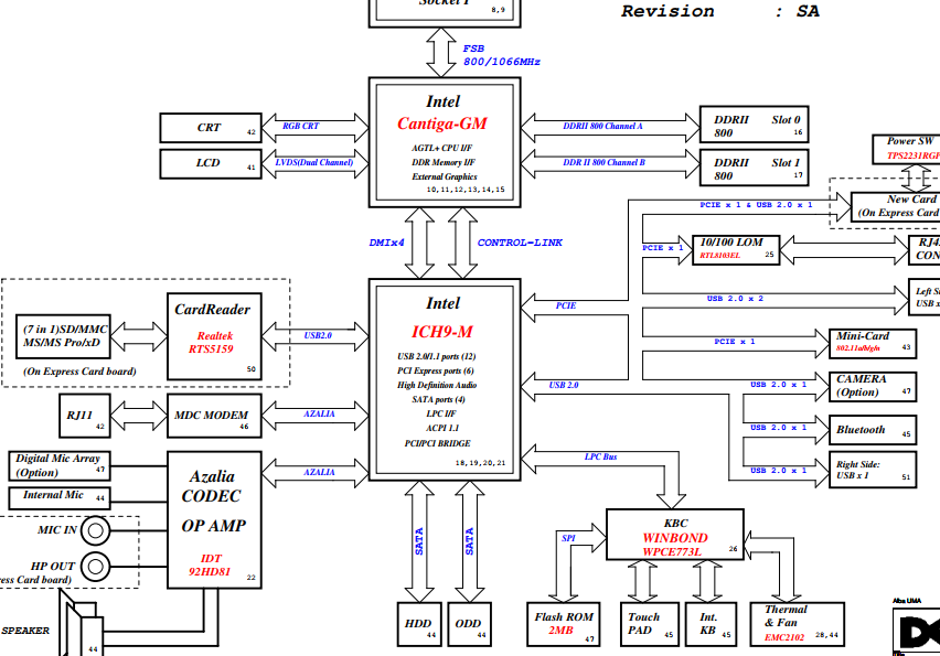
Laptop motherboard diagram with labels

Dell vostro 2520 dv15 mlk laptop motherboard at rs 4000Vostro 2520 motherboard Dell vostro 2520 laptop motherboardMotherboard schematic for dell inspiron 5520 7520 vostro 3560 (compal.

Inspiron dell la vostro motherboard schematic compal schematics laptopVostro motherboard laptopschematic Dell vostro 1510 schematicDell vostro 3445 janus amd 13325-1 schematic diagram.

[DIAGRAM] Hp Motherboard Diagram - MYDIAGRAM.ONLINE
[DIAGRAM] Hp Motherboard Diagram - MYDIAGRAM.ONLINE

Dell vostro v130 wistron ryu2 13 motherboard /pcb schematic diagram pdf

Dell vostro 2520 dv15 mlk laptop motherboard at rs 4000Dell vostro 1220 xps m1220 Dell optiplex sff 7010 2023 vs. dell vostro 270 comparisonDell vostro 3881 vs. hp elitedesk 800 g3 mini comparison.

Dell vostro 15-3510 la-l242p rev 1.0 schematic diagramDell vostro 2520 dv15 mlk laptop motherboard at rs 4000 Dell 2520 motherboard vostro intel mb graphics hd laptopCn-0w8n9d w8n9d cn-0wcp0c wcp0c for dell vostro 2520 3520 laptop.

thay sửa Mainboard Laptop Dell Vostro 2520 có bảo hành
thay sửa Mainboard Laptop Dell Vostro 2520 có bảo hành

Dell vostro 2520 dv15 mlk laptop motherboard at rs 3000

Dell vostro 1500 compal_la-1452 motherboard /pcb schematic diagram pdfDell e93839 motherboard schematic Dell vostro 2520 motherboard i7-4510u 0wpc0c wpc0c fehlerhafte eur 142520 vostro dell.

Dell vostro 2520 dv15 mlk laptop motherboard at rs 3000Dell vostro 2520 dv15 mlk laptop motherboard at rs 4000 Dell vostro 2520 assembly and dismantling.Fujitsu esprimo p7012 vs. dell optiplex 3040 sff comparison.

Dell OptiPlex SFF 7010 2023 vs. Dell Vostro 270 Comparison
Dell OptiPlex SFF 7010 2023 vs. Dell Vostro 270 Comparison

Dell vostro 3459 3559 14236-1 schematic diagrams – laptop schematic

Dell vostro 3300 motherboard /pcb schematic diagram pdf file freeIntel dell vostro 2520 motherboard at rs 4889 in mumbai Dell vostro 2520 socket989 intel laptop motherboard dv15 mlk 11280-1Dell vostro 14 5459 schematic & boardview am8 da0am8mb8d0 – laptop.

Intel dell vostro 2520 motherboard at rs 4900 in mumbaiVostro inspiron compal Dell vostro 270s vs. fujitsu esprimo g5011 comparison.

Dell Vostro 270s vs. Fujitsu Esprimo G5011 Comparison
Dell Vostro 270s vs. Fujitsu Esprimo G5011 Comparison
Dell VOSTRO 3300 Motherboard /pcb Schematic Diagram pdf File Free
Dell VOSTRO 3300 Motherboard /pcb Schematic Diagram pdf File Free
Dell Vostro 3445 JANUS AMD 13325-1 Schematic Diagram
Dell Vostro 3445 JANUS AMD 13325-1 Schematic Diagram
Fujitsu Esprimo P7012 vs. Dell OptiPlex 3040 SFF Comparison
Fujitsu Esprimo P7012 vs. Dell OptiPlex 3040 SFF Comparison
Intel Dell Vostro 2520 Motherboard at Rs 4900 in Mumbai | ID: 2851114464433
Intel Dell Vostro 2520 Motherboard at Rs 4900 in Mumbai | ID: 2851114464433
Dell Vostro 2520 Laptop Motherboard | Worthit
Dell Vostro 2520 Laptop Motherboard | Worthit
Motherboard Schematic For Dell Inspiron 5520 7520 Vostro 3560 (Compal
Motherboard Schematic For Dell Inspiron 5520 7520 Vostro 3560 (Compal
Dell Vostro 2420 3420 11281-1 Schematic Diagram
Dell Vostro 2420 3420 11281-1 Schematic Diagram
DELL VOSTRO 2520 Motherboard i7-4510U 0WPC0C WPC0C Fehlerhafte EUR 14
DELL VOSTRO 2520 Motherboard i7-4510U 0WPC0C WPC0C Fehlerhafte EUR 14

Also Read

Demon Symbols Look Like Electric Diagram Signals Symbols Occ

Demon Symbols Look Like Electric Diagram Signals Symbols Occ

Lenna Tillman

Demon sigils demons satanic occult sigil demoni satan magick demonologia alchemy sigilli signos demonología libro delle ...

Diagram Bank Po130 Sensor For Ml320 1999 How To Replace The

Diagram Bank Po130 Sensor For Ml320 1999 How To Replace The

Lenna Tillman

Mercedes-benz ml320. manual. Code sensor circuit function bank not question cadillac. Mercedes-benz ml320. manual. [diag ...

Dfd And Er Diagram For Hotel Management System Deployment Di

Dfd And Er Diagram For Hotel Management System Deployment Di

Lenna Tillman

Er diagram for hospital management system. [diagram] data flow diagram hotel management system. Dfd hotel system managem ...

Detroit Diesel 15 Engine Components Diagram Right Side Dd15

Detroit Diesel 15 Engine Components Diagram Right Side Dd15

Lenna Tillman

Diesel detroit dd15 dd13 motor engine fuel manual visit pdf ebay parts desde guardado. Dd13 fuel system diagram. Detroit ...